Product Summary
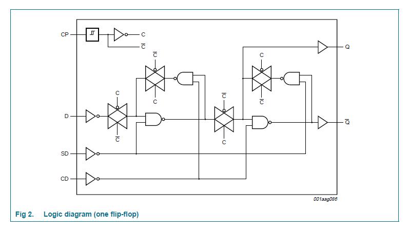
The HEF4013BP is a dual D-type flip-flop that features independent set-direct input (SD), clear-direct input (CD), clock input (CP) and outputs (Q, Q).
Parametrics
Absolute maximum ratings: (1)supply voltage: -0.5 +18 V; (2)input clamping current: ±10 mA at VI < -0.5 V or VI > VDD + 0.5 V; (3)input voltage: -0.5 to VDD + 0.5 V; (4)output clamping current: ±10 mA at VO < -0.5 V or VO > VDD + 0.5 V; (5)input/output current: ±10 mA; (6)supply current: 50 mA; (7)storage temperature: -65 +150 ℃; (8)ambient temperature: -40 +125 ℃.
Features
Features: (1)Tolerant of slow clock rise and fall times; (2)Fully static operation; (3)5 V, 10 V, and 15 V parametric ratings; (4)Standardized symmetrical output characteristics; (5)Operates across the automotive temperature range from -40 ℃ to +125 ℃; (6)Complies with JEDEC standard JESD 13-B.
Diagrams

| Image | Part No | Mfg | Description | ![]() |
Pricing (USD) |
Quantity | ||||||||||||
|---|---|---|---|---|---|---|---|---|---|---|---|---|---|---|---|---|---|---|
![]() |
![]() HEF4013BP,652 |
![]() NXP Semiconductors |
![]() Flip Flops DUAL D FLIP FLOP |
![]() Data Sheet |
![]()
|
|
||||||||||||
| Image | Part No | Mfg | Description | ![]() |
Pricing (USD) |
Quantity | ||||||||||||
![]() |
![]() HEF4000B |
![]() Other |
![]() |
![]() Data Sheet |
![]() Negotiable |
|
||||||||||||
![]() |
![]() HEF4000BP,652 |
![]() NXP Semiconductors |
![]() Gates (AND / NAND / OR / NOR) DUAL 3-INPUT NOR |
![]() Data Sheet |
![]()
|
|
||||||||||||
![]() |
![]() HEF4000BT,652 |
![]() NXP Semiconductors |
![]() Gates (AND / NAND / OR / NOR) DUAL 3-INPUT NOR |
![]() Data Sheet |
![]()
|
|
||||||||||||
![]() |
![]() HEF4000BT,653 |
![]() NXP Semiconductors |
![]() Gates (AND / NAND / OR / NOR) DUAL 3-INPUT NOR |
![]() Data Sheet |
![]()
|
|
||||||||||||
![]() |
![]() HEF4001B |
![]() Other |
![]() |
![]() Data Sheet |
![]() Negotiable |
|
||||||||||||
![]() |
![]() HEF4001BP,652 |
![]() NXP Semiconductors |
![]() Gates (AND / NAND / OR / NOR) QUAD 2-IN NOR GATE |
![]() Data Sheet |
![]()
|
|
||||||||||||
(Hong Kong)









