Product Summary
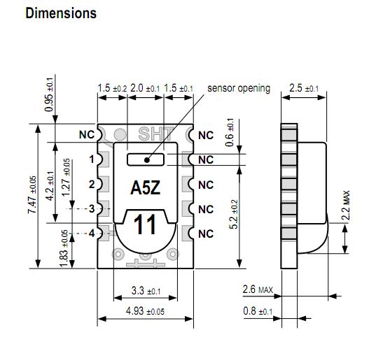
The SHT10 is a surface mountable relative humidity and temperature sensor. The SHT10 integrates sensor elements plus signal processing on a tiny foot print and provide a fully calibrated digital output. A unique capacitive sensor element is used for measuring relative humidity while temperature is measured by a band<gap sensor. The applied CMOSens technology guarantees excellent reliability and long term stability. The SHT10 is seamlessly coupled to a 14bit analog to digital converter and a serial interface circuit. This results in superior signal quality, a fast response time and insensitivity to external disturbances (EMC).
Parametrics
SHT10 absolute maximum ratings: (1)Source Voltage: 2.4 to 5.5 V; 3.3V typ; (2)Power Consumption: 2μW typ, 5μW max; (3)Communication: digital 2<wire interface, see Communication ; (4)Storage: 10 – 50℃.
Features
SHT10 features: (1)Fully calibrated; (2)Digital output; (3)Low power consumption; (4)Excellent long term stability; (5)SMD type package – reflow solderable.
Diagrams

![]() |
![]() SHT11 |
![]() Other |
![]() |
![]() Data Sheet |
![]() Negotiable |
|
||||||||||||
![]() |
![]() SHT1-500C075DE |
![]() Ohmite |
![]() Wirewound Resistors - Chassis Mount 500 AMP SHUNT 75 mV |
![]() Data Sheet |
![]()
|
|
||||||||||||
![]() |
![]() SHT1x |
![]() Other |
![]() |
![]() Data Sheet |
![]() Negotiable |
|
||||||||||||
![]() |
![]() SHT1-200C075DE |
![]() Ohmite |
![]() Wirewound Resistors - Chassis Mount 200 AMP SHUNT 75 mV |
![]() Data Sheet |
![]()
|
|
||||||||||||
(Hong Kong)









