Product Summary
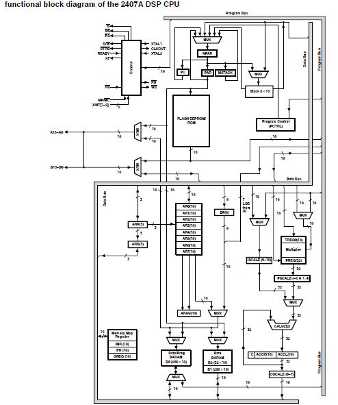
The TMS320LF2407APGEA is a DSP controller. It is a new member of the TMS320C24x generation of digital signal processor (DSP) controllers. It offers the enhanced TMS320 DSP architectural design of the C2xx core CPU for low-cost, low-power, and high-performance processing capabilities.
Parametrics
Absolute maximum ratings: (1)Supply voltage range, VDD, PLLVCCA, VDDO, and VCCA: -0.3 V to 4.6 V; (2)VCCP range: -0.3 V to 5.5 V; (3)Input voltage range, VIN: - 0.3 V to 4.6 V; (4)Output voltage range: -0.3 V to 4.6 V; (5)Input clamp current, IIK (VIN < 0 or VIN > VCC): ± 20 mA; (6)Output clamp current, IOK (VO < 0 or VO > VCC): ± 20 mA; (7)Operating free-air temperature ranges, TA: A version: -40℃ to 85℃, S version: -40℃ to 125℃; (8)Junction temperature range, TJ: -40℃ to 150℃; (9)Storage temperature range, Tstg: -65℃ to 150℃.
Features
Features: (1)High-Performance Static CMOS Technology: 5-ns Instruction Cycle Time (40 MHz), 40-MIPS Performance, Low-Power 3.3-V Design; (2)Based on TMS320C2xx DSP CPU Core: Code-Compatible With F243/F241/C242, Instruction Set and Module Compatible With F240; (3)Boot ROM (LF240xA Devices): SCI/SPI Bootloader.
Diagrams

| Image | Part No | Mfg | Description | ![]() |
Pricing (USD) |
Quantity | ||||||||||||
|---|---|---|---|---|---|---|---|---|---|---|---|---|---|---|---|---|---|---|
![]() |
![]() TMS320LF2407APGEA |
![]() Texas Instruments |
![]() Digital Signal Processors & Controllers (DSP, DSC) 16-Bit Fixed Point DSP with Flash |
![]() Data Sheet |
![]()
|
|
||||||||||||
| Image | Part No | Mfg | Description | ![]() |
Pricing (USD) |
Quantity | ||||||||||||
![]() |
![]() TMS3112 |
![]() Other |
![]() |
![]() Data Sheet |
![]() Negotiable |
|
||||||||||||
![]() |
![]() TMS3121 |
![]() Other |
![]() |
![]() Data Sheet |
![]() Negotiable |
|
||||||||||||
![]() |
![]() TMS320 |
![]() Other |
![]() |
![]() Data Sheet |
![]() Negotiable |
|
||||||||||||
![]() |
![]() TMS32010 |
![]() Other |
![]() |
![]() Data Sheet |
![]() Negotiable |
|
||||||||||||
![]() |
![]() TMS320AV7110 |
![]() Other |
![]() |
![]() Data Sheet |
![]() Negotiable |
|
||||||||||||
![]() |
![]() TMS320BC51PQ100 |
![]() Texas Instruments |
![]() Digital Signal Processors & Controllers (DSP, DSC) TMS320C51PQ - 132QFP - 100MHZ/BOOT CODE |
![]() Data Sheet |
![]() Negotiable |
|
||||||||||||
(Hong Kong)










